
Fast Shipping
Most orders ship same day
Coast to Coast Entertainment ( pre 2005) All Coastal Crane Machines.
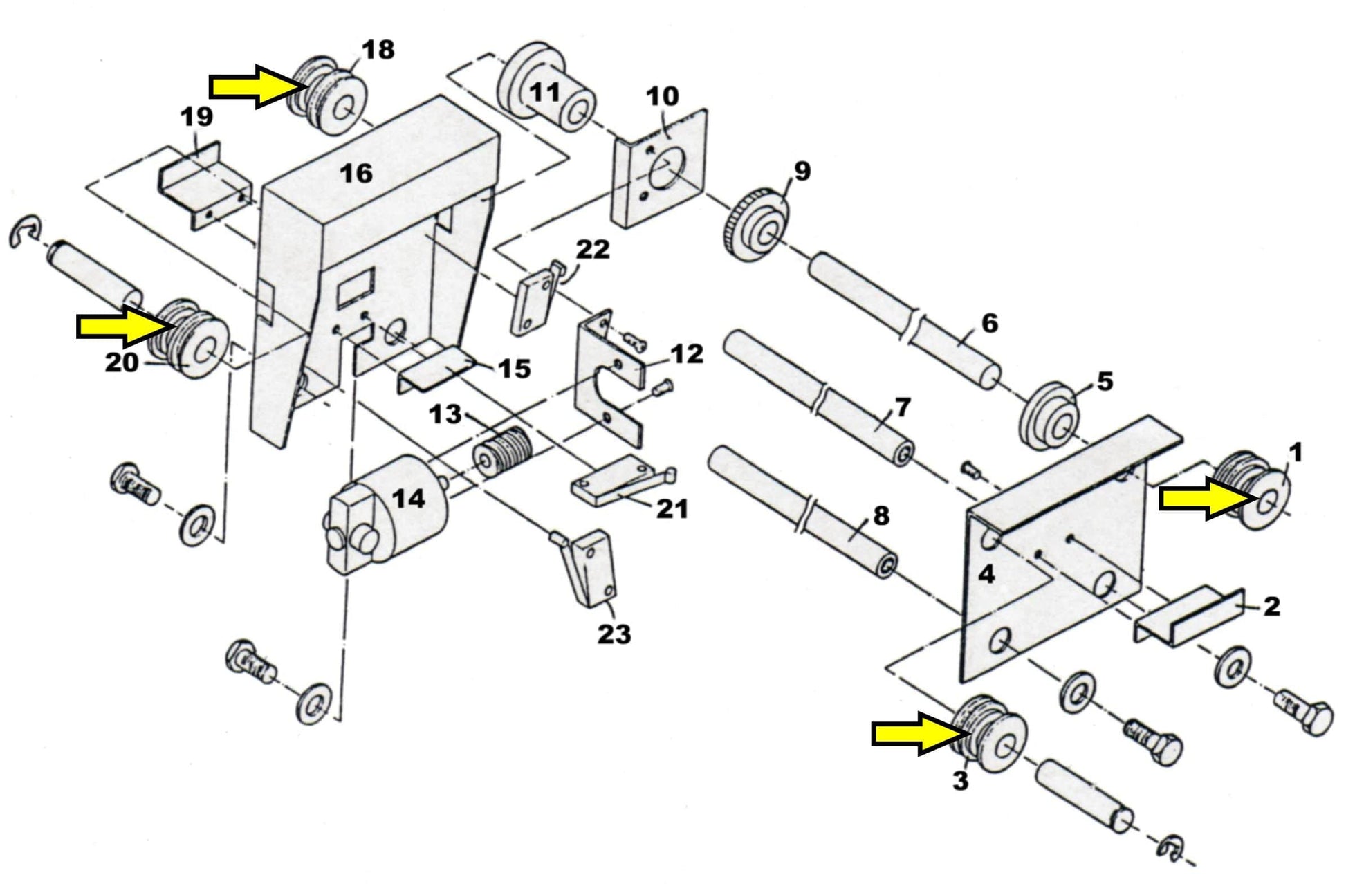
Front- Back Bridge Wheel
Please see diagram below to very the part.
Generally we are a wholesale business and accepting returns are difficult for us . If you accidentally order something that is not correct we will work with you to make it right . If you order merchandise that is defective we will arrange reshipping on new product to you . Machines of any kind are not returnable. Under certain circumstances we may be able to arrange a return with up to a 25 percent restocking fee.
We ship most items within 24 hours . Some items are drop shipped from our local vendors as well as some items ( tools in particular ) are drop shipped from our suppliers in China which may take a while longer . If you are in need of something fast and want to make sure you will have it in time please just ask us.
1-year warranty on all machines.
Most orders ship same day
Parts are US based
1yr warranty on all machines